-
Автоматика
-
Автополив
-
Блоки питания
-
Блоки управления насосом
-
Датчики
-
ИБП (бесперебойники)
-
Интерфейсы передачи данных
-
Клапаны электромагнитные
- Комплектующие
-
Поплавковые выключатели
-
Поплавковые клапаны
-
Преобразователи
-
Прессостаты
-
Регуляторы
-
Реле
-
Стабилизаторы напряжения
-
Устройства плавного пуска
-
Частотные преобразователи
-
Шкафы управления
-
- Баки мембранные
- Водонагреватели
- Измерительные приборы
-
Водоподготовка
-
Блоки питания и ИБП
- Бытовые системы
- Дозирующие насосы
-
Картриджи сменные и части к ним
- Для Merlin/Modular Pro
- Картриджи для Microline Clack
- Картриджи для автоматов, тип IN-LINE
- Картриджи, тип IN-LINE
- Картриджи, тип: 2.5" x 10"
- Картриджи, тип: 2.5" x 20"
- Картриджи, тип: 2.5"x 40"
- Картриджи, тип: 4.5" x 10"
- Картриджи, тип: 4.5" x 20"
- Мембраны для бытовых систем
- Фильтроэлементы для ФПН
- Части
- Картриджи сменные в комплектах
- Клапаны обратные и воздухоотделительные
- Комплекты оборудования
- Компрессоры и распределители воздуха
- Корпуса картриджных фильтров в сборе
- Корпуса фильтров (TANKS)
- Мешочные фильтры и элементы
- На клапанах Runxin
- Обратноосмотические системы (RO)
- Обратный осмос
- Переключатели потоков воды (Control Valve)
- Распределительные системы
- Реагентные материалы
- Системы WiseWater
- Термоизолирующие кожухи (Jackets)
- Установки УФ-обеззараживания и части к ним
- Устройства управления и индикации
- Фидеры для реагентов и части к ним
- Фильтрующие загрузки
-
- Насосы
-
Очистка воды
-
Гидроциклоны
-
Дозирование реагентов
-
Засыпные фильтры
-
Комплектующие для фильтров
- Управляющие клапаны для фильтров
-
Косые фильтры
-
Магистральные фильтры
-
Мешочные фильтры
- Принадлежности и аксессуары
-
Проточные фильтры
-
Самопромывные фильтры
-
Системы аэрации
-
Системы обратного осмоса
- Сменные картриджи
-
Установки ультрафильтрации
-
УФ стерилизаторы
-
- Приборы учета
- Отопление
- Теплообменники
- Трубопроводная арматура
- Трубы и переходники
- Фитинги
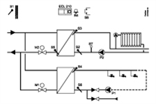
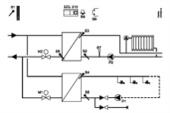
Ключ программирования контроллеров ECL 210/310, А 275/375
код товара:
DNF087H3814
Дата обновления информации 14.08.2025
Рейтинг:
3.7
Товар не поставляется
код товара:
DNF087H3814
Дата обновления информации: 14.08.2025
Характеристики товара:
| Бренд: | Danfoss |
Каскадное управление 4 горелками в автономных системах теплоснабжения зданий. С возможностью расширения до 8. Регулирование теплоносителя в двух контурах отопления и системе ГВС с баком-накопителем.
Похожие товары
Рейтинг:
3.9
Есть в наличии
Уточняется менеджером
-
+
































































